Nepropásněte novinky, akce a slevy!
Můžete se kdykoli odhlásit. Zasíláme jednou za 14 dní.
- Úvod
- Zadlabací zámky
- Zámky pro obyčejný nebo dozický klíč
- Zámky s roztečí 90mm
- 536 - zámek pro obyč. klíč 90mm
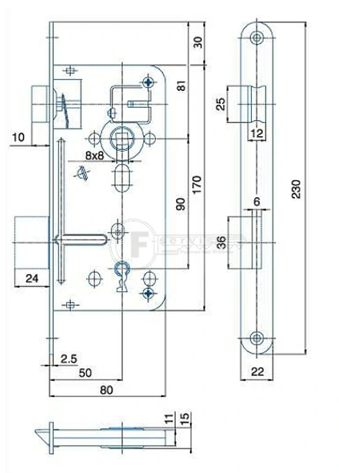
536 - zámek pro obyč. klíč 90mm

- Kompletní specifikace
- Hodnocení 0
536 - zámek pro obyč. klíč 90mm337 Kč/ ks279 Kč bez DPH
Kompletní specifikace
Popis
- Zadlabací zámek tvarový klíč
- dvouzápadový bez převodu
- Otvory pro dělené štíty
- Dodáváno s jedním klíčem
- Pravolevé provedení
Rozměry
- Rozteč 90mm
- Zádlab 80mm
- Dornmass 50mm
Zboží zařazeno v kategoriích


